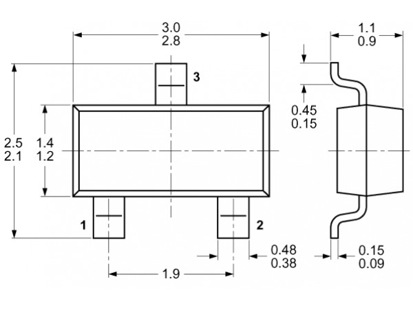
DTC114TKA
Отзывов: 1
|
Написать отзыв
Поделиться
Модель:
DTC114TKA
Бонусные баллы:
1
Наличие:
0
Цена:
Цена договорная
Количество:
Купить
в закладки
сравнение